Skrutka Din 7981 4,2x 13 A2 PH, bal: 1000 ks
Kód: 24018Podrobný popis
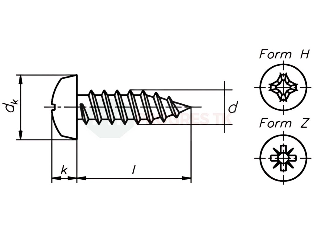
Skrutka do plechu s polguľovou hlavou a krížovým zárezom A2
SKRUTKA DO PLECHU DIN 7981 A2 NEREZ
Výhody:
-
vyrobená z nerezovej ocele A2 – odolná voči korózii a poveternostným vplyvom
-
krížový zárez (PH) umožňuje rýchle a jednoduché skrutkovanie
-
vhodná pre interiérové aj exteriérové použitie
-
spoľahlivý a pevný spoj bez potreby matice
Použitie:
Montáž kovových, plastových alebo drevených častí, konštrukcie, elektroinštalácie, nábytkárske aplikácie, stavba prístreškov a iné remeselné práce.
Norma: DIN 7981
Materiál: nerezová oceľ A2
Typ hlavy: polguľová s krížovým zárezom
Dodatočné parametre
| Kategória: | Skrutky DIN 7981 A2 do plechu s polguľovou hlavou |
|---|---|
| Hmotnosť: | 0.15 kg |
| ? Norma DIN: | DIN 7981 |
| ? Norma STN: | STN 02 1235 |
| ? Norma ISO: | ISO 7049 |
| Materiál/Povrchová úprava: | A2-nerezová oceľ pre vonkajšie prostredie |
| D(mm): | 4,2 |
| M(mm): | M 4,2x13 |
| L(mm): | 13 |
| Veľkosť balenia (ks): | 1000 |
| Spojovací materiál názov: | Skrutky do plechu s polgulatou hlavou a krížovou drážkou |
| Veľkosť balenia:: | 1000 |
Buďte prvý, kto napíše príspevok k tejto položke.
Pridať komentár









