Skrutka Din 912 M 10x 100 A2 bal: 50 ks
Kód: 192Podrobný popis
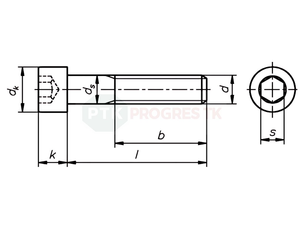
Skrutka s valcovou hlavou a vnútorným šesťhranom
DIN 912 SKRUTKA METRICKÁ S VALCOVOU HLAVOU
Dodatočné parametre
| Kategória: | Skrutka s valcovou hlavou a vnútorným šesťhranom DIN 912 A2 |
|---|---|
| Hmotnosť: | 7 kg |
| ? Norma DIN: | DIN 912 |
| ? Norma STN: | STN 02 1143 |
| ? Norma ISO: | ISO 4762 |
| Materiál/Povrchová úprava: | A2-nerezová oceľ pre vonkajšie prostredie |
| D(mm): | 10 |
| L(mm): | 100 |
| Veľkosť balenia (ks): | 50 |
| Spojovací materiál názov: | Skrutka s valcovou hlavou a vnútorným šesťhranom |
| Veľkosť balenia (ks):: | 50 |
| Položka bola vypredaná… | |
Buďte prvý, kto napíše príspevok k tejto položke.
Pridať komentár









