Skrutka do betónu 6x100 6hr. THE vrták pr.6 bal.25ks
Kód: 20103Podrobný popis
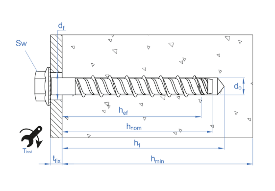
INDEX® Skrutková kotva do betónu s šesťhrannou hlavou THE
Priame kotvenie pre vysoké zaťaženie – do trhlinového aj netrhlinového betónu.
Odnímateľná a opätovne použiteľná skrutková kotva s šesťhrannou hlavou, určená pre spoľahlivé upevnenie konštrukčných prvkov.
Certifikovaná podľa ETA Option 1.
Vyrobená z ocele s povrchovou úpravou ATLANTIS C3-H, ktorá zaručuje vysokú odolnosť proti korózii a dlhú životnosť.
✅ Výhody produktu
-
Až o 45 % rýchlejšia montáž v porovnaní s bežnými kotvami
-
Vysoká nosnosť v trhlinovom aj netrhlinovom betóne
-
Odnímateľná a opätovne použiteľná – ideálna pre dočasné konštrukcie
-
Bez nutnosti použitia hmoždinky – priame skrutkovanie do betónu
-
Certifikácia ETA Option 1 pre maximálnu istotu a bezpečnosť
-
Povrchová úprava ATLANTIS C3-H – vysoká odolnosť proti korózii
-
Jednoduchá a rýchla montáž s bežným náradím
-
🔩 Patentovaný dvojitý závit
Kotvy INDEX® THE sú vybavené patentovaným dvojitým závitom, ktorý sa hlboko zarezáva do betónu a zaručuje spoľahlivú fixáciu pri maximálnom zaťažení.
Tento jedinečný dizajn zlepšuje prenos síl a zvyšuje únosnosť kotvy aj v náročných podmienkach, čím poskytuje dlhodobú stabilitu a bezpečnosť spoja. 
🔧 Kalená špička
Kotvy INDEX® THE majú kalenú špičku, ktorá zaručuje maximálnu tvrdosť, odolnosť a jednoduchú montáž.
Vďaka tejto úprave je možné kotvu ľahko zasunúť do betónu, minimalizovať opotrebovanie materiálu a zároveň zachovať spoľahlivé upevnenie pri vysokých zaťaženiach.

🛠️ Telo z vysoko odolnej ocele
Kotvy INDEX® THE majú telo z vysoko odolnej uhlíkovej ocele s reliéfnou povrchovou úpravou, ktorá zaručuje pevnosť, odolnosť proti opotrebovaniu a spoľahlivú fixáciu.
Táto konštrukcia zabezpečuje dlhodobú stabilitu a bezpečnosť pri všetkých typoch montáže.

🔩 Šesťhranná hlava s prírubou
Modely THE a TFE sú vybavené šesťhrannou hlavou s vrúbkovanou prírubou, ktorá zabezpečuje:
-
pevné dosadnutie na podkladový materiál
-
prevenciu uvoľnenia kotvy počas prevádzky alebo vibrácií
Táto konštrukcia zaručuje spoľahlivú fixáciu a bezpečnosť montáže aj pri vysokom zaťažení.

🧱 Použitie
-
Kotvenie oceľových konštrukcií a rámov
-
Zábradlia, závesné systémy, podpery, regály
-
Stroje, lešenia, dopravníky a montážne rámy
-
Vhodná pre vnútorné aj vonkajšie použitie
-
📐 Technické údaje
-
Typ hlavy: Šesťhranná (HEX)
-
Materiál: Oceľ s ATLANTIS C3-H povrchovou úpravou
-
Certifikácia: ETA Option 1
-
Opätovná použiteľnosť: Áno
-
Použitie: Trhlinový aj netrhlinový betón
-
Farba povrchu: Metalická sivá
-
-
🛡️ Povrchová úprava: ATLANTIS C3-H
ATLANTIS C3-H je vysoko odolná povrchová úprava, ktorá zabezpečuje dlhodobú ochranu proti korózii v rôznych prostrediach.
Táto technológia bola vyvinutá pre skrutky a kotvy INDEX®, ktoré vyžadujú vysokú pevnosť a spoľahlivosť aj pri dlhodobom používaní.-
Životnosť v suchom vnútornom prostredí: až 50 rokov
-
Životnosť v exteriéri typu C3 podľa ISO 9223: až 25 rokov
(napr. mestské alebo priemyselné prostredie so strednou vlhkosťou a miernym znečistením)
Vďaka tejto úprave je kotva vhodná pre vnútorné aj vonkajšie použitie, s výbornou ochranou proti korózii, oxidácii a opotrebovaniu.
-
🔧 Použitie – neštrukturálne aplikácie (ETA 20/0494)
Skrutková kotva INDEX® THE je schválená podľa ETA 20/0494 aj pre neštrukturálne inštalácie, ako sú montáže ľahkých systémov a technických rozvodov.
Využitie zahŕňa:
-
Upevnenie rúr a potrubných systémov
-
Montáž vzduchotechnických a klimatizačných potrubí
-
Uchytenie elektrických trás, káblových žľabov a vedení
-
Inštalácie v dutých betónových stropoch
-
Upevnenie v predpätých dutinových stropných paneloch (hollow-core slabs)
Táto verzia je ideálna pre technické a montážne práce, kde je dôležitá rýchlosť, bezpečnosť a čistá montáž bez dodatočného vŕtania alebo chemických kotiev.
🪛 Postup pri montáži
Správna montáž skrutkovej kotvy INDEX® THE zaručuje maximálnu únosnosť a bezpečnosť spoja. Postupujte podľa nasledujúcich krokov:
-
Vyvŕtajte otvor
-
Použite vrták s priemerom podľa zvolenej veľkosti kotvy.
-
Otvor musí byť čistý, bez prachu a nečistôt.

-
-
Vyčistite otvor
-
Odstráňte prach z otvoru pomocou ručnej pumpy alebo stlačeného vzduchu.
-
Odporúča sa aj vyčistenie kefkou, najmä pri hlbších otvoroch.

-
-
Vložte kotvu
-
Umiestnite kotvu do otvoru a jemne ju pritlačte rukou, aby sa zachytila v závite.
-
-
Dotiahnite kotvu
-
Použite momentový kľúč alebo rázový uťahovač.
-
Skrutku dotiahnite až po dosadnutie hlavy kotvy k povrchu materiálu.
-
Nie je potrebné žiadne rozpínacie puzdro ani chemická hmota – kotva sa upevňuje priamo závitom do betónu.

-
-
Overte upevnenie
-
Skontrolujte, že kotva je pevne zafixovaná a hlava správne dosadá na povrch.
-
Pri potrebe demontáže je možné kotvu jednoducho odskrutkovať a opätovne použiť.
-


-
⚙️ Variabilná hĺbka kotvenia
Skrutkové kotvy INDEX® THE umožňujú až tri rôzne hĺbky montáže (platí pre verzie Ø6 a Ø10).
Táto flexibilita umožňuje prispôsobiť kotvenie konkrétnym podmienkam na stavbe – podľa požadovanej nosnosti, hrúbky materiálu alebo dostupného priestoru.Vďaka tomu je možné:
-
optimalizovať pevnosť a úsporu materiálu,
-
prispôsobiť montáž rôznym konštrukčným situáciám,
-
a zachovať maximálnu bezpečnosť a efektivitu práce.

-

Dodatočné parametre
| Kategória: | Skrutka do betónu so šesťhrannou hlavou INDEX |
|---|---|
| Hmotnosť: | 1.2 kg |
| D(mm): | 6 |
| L(mm): | 100 |
| Veľkosť balenia (ks): | 25 |
Buďte prvý, kto napíše príspevok k tejto položke.









